Le presbytère du Val d’Ajol se situe au cœur de la commune vosgienne. Il cristallise les enjeux urbains locaux et articule deux places majeures : la place du Sô et la place de l’Eglise. Le projet de réhabilitation du presbytère et de son jardin s’inscrit dans la logique du programme de revitalisation des bourgs-centres, petites villes de demain. Il vise à :
- Réactiver l’ancien presbytère sous-utilisé aujourd’hui en créant un pôle d’accueil d’office du tourisme et maison de la randonnée, un espace associatif et partagé tout en maintenant la paroisse dans ses murs historiques en investissant les jardins et les accès ;
- Valoriser un patrimoine communal par une réhabilitation exemplaire valorisant les ressources du territoire vosgien qui servira de vitrine pour la politique de revitalisation et de la transition écologique des territoires ;
- Articuler la mémoire et la création : l’ancien presbytère, le mur, la halle, le jardin de rencontre et le jardin potager solidaire, l’abri à vélos pour amorcer la revitalisation du Val d’Ajol par l’implantation d’un service permettant, entre autres, d’attirer de nouveaux visiteurs.
Un parvis festif abrité est positionné au contact direct de la rue, pensé comme une extension de l’espace public. La halle qui le couvre est une forme signal, intelligible, inspirée des gabarits des bâtis anciens environnants et de l’archétype de la grange vosgienne. La toiture est revisitée et étirée pour former un puit de lumière central. Sa structure en bois local marque le lieu et ses nouveaux usages. Un système de paroi composée de portes pivotantes en bois local permet de clôturer cet espace public la nuit ou pendant les horaires de fermeture. Une coursive, s’étire le long du mur de clôture, mettant en lien la halle et le bâtiment. Afin de garantir le dialogue et l’intégration du projet contemporain dans son contexte patrimonial, le projet choisit d’établir un dialogue entre mémoire et création, en conservant le mur structurant au maximum et en proposant des gabarits de toiture pentées en résonnance avec le bâti environnant.
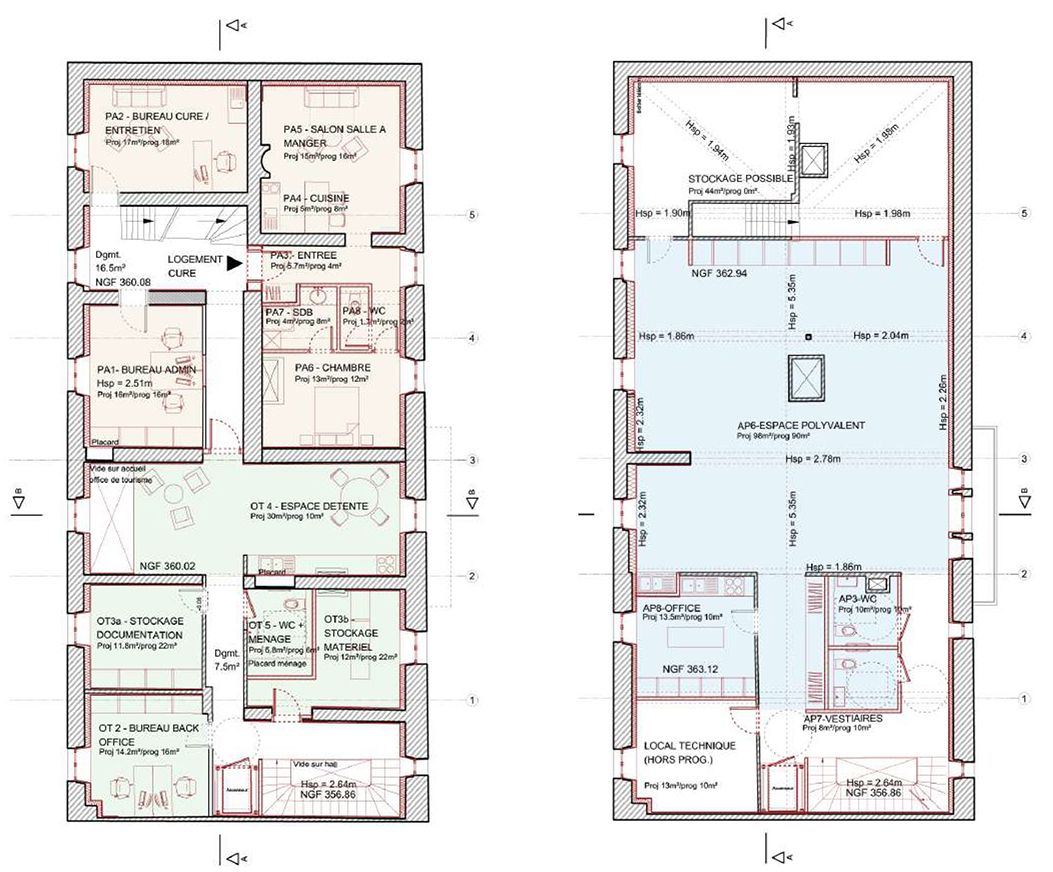
Le programme, qui prévoit la réhabilitation lourde du bâti existant, amène naturellement à essayer de comprendre les particularités, les atouts et les faiblesses de ce bâti ancien afin de mettre au point un projet architectural approprié. Ainsi, nous proposons un scénario adapté qui répond aux exigences du programme et un scénario alternatif qui propose une adaptation de certains usages de l’ancien presbytère pour garantir une enveloppe financière maîtrisée et minimiser les aléas : un « volume capable » pour un budget maîtrisé. Cette démarche pragmatique comparée à de la médecine nous permet de comprendre que la structure, présentant des pathologies, peut être soignée simplement en l’allégeant plutôt qu’en la renforçant avec des interventions lourdes, coûteuses et incertaines.













